PRODUIT
Localisation actuelle:Accueil > Produit > Actionneur de courroie standard > Série MKR > MKR110 > Moteur côté gauche 
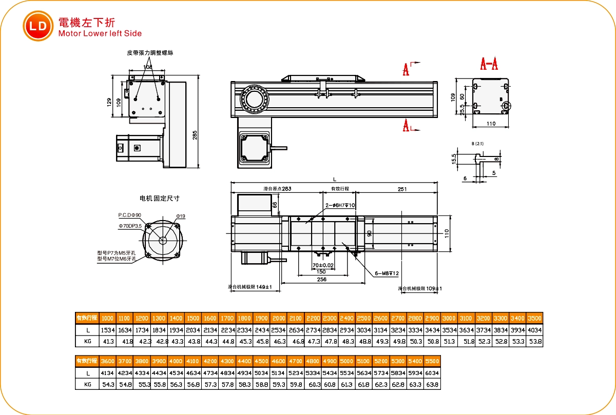
Répétabilité : ±0,1 mm
Charge horizontale : 200 kg
Passage : 280 mm
Vitesse maximale : 1400 mm/s
Pas de course : 100-5500 mm
Réglez l'accélération et la décélération du moteur à 0,2 seconde.
Les spécifications standard ne s'appliquent pas à l'utilisation de ponts roulants inversés. Pour toute demande particulière, veuillez nous contacter par téléphone ou nous laisser un message en ligne.
Délai de livraison : 7 à 10 jours





| Spéc. | Répétabilité (mm) | ±0,1 | ||||||
| Plomb (mm) | 200 | |||||||
| Rapport de réduction | 10:1 | 15:1 | 20:1 | |||||
| Vitesse maximale (mm/s) | 1400 | 933 | 700 | |||||
| Charge utile maximale | Horizontal (kg) | 100 | 150 | 200 | ||||
| Vertical (kg) | 23 | 36 | 50 | |||||
| Poussée nominale (N) | 517 | 774 | 1034 | |||||
| Pas de la course (mm) | Pas de 100 à 5 500 mm / 100 mm | |||||||
| Parties | Puissance du servomoteur CA (W) | 750 W | ||||||
| Largeur de la bille (mm) | 50 | |||||||
| Guide linéaire haute rigidité (mm) | W23XH19 | |||||||
| Capteur domestique | Dehors | EE-SX672(NPN) | ||||||


| Installation horizontale | UN | B | C | |
| 10 ∶ 1 | 60 kg | 1110 | 195 | 25 |
| 80 kg | 750 | 126 | 16 | |
| 100 kg | 550 | 85 | 11 | |
| 15:1 | 90 kg | 1400 | 160 | 20 |
| 120 kg | 940 | 100 | 13 | |
| 150 kg | 650 | 63 | 8 | |
| 20:1 | 120 kg | 1400 | 115 | 15 |
| 160 kg | 900 | 65 | 8 | |
| 200 kg | 550 | 35 | 5 | |

| Installation murale | UN | B | C | |
| 10 ∶ 1 | 60 kg | 25 | 195 | 1110 |
| 80 kg | 16 | 126 | 750 | |
| 100 kg | 11 | 85 | 550 | |
| 15:1 | 90 kg | 20 | 160 | 1400 |
| 120 kg | 13 | 100 | 940 | |
| 150 kg | 8 | 63 | 650 | |
| 20:1 | 120 kg | 15 | 115 | 1400 |
| 160 kg | 8 | 65 | 900 | |
| 200 kg | 5 | 35 | 550 | |

| Installation verticale | UN | C | |
| 10 ∶ 1 | 12 kg | 1300 | 1300 |
| 18 kg | 870 | 870 | |
| 23 kg | 680 | 680 | |
| 15:1 | 14 kg | 1480 | 1480 |
| 25 kg | 830 | 830 | |
| 36 kg | 575 | 575 | |
| 20:1 | 30 kg | 750 | 750 |
| 40 kg | 560 | 560 | |
| 50 kg | 450 | 450 | |

| MON | 1479,3 |
| Député | 1479,3 |
| M | 189,7 |
| Utiliser là | Mode de conduite | Spécifications du modèle | Mécanisme réducteur | Puissance du moteur (w) | Largeur (mm) | Répétabilité (mm) | Spécifications de la courroie | Charge utile maximale (kg) | vitesse maximale (mm/s) *1 | ||
|---|---|---|---|---|---|---|---|---|---|---|---|
| Largeur de la courroie (mm) | Plomb (mm) | Horizontal | Verticale | ||||||||
| Standard | courroie de distribution | MKR40 | Oui | 100 W | 40 | ±0,1 | 15 | 90 | 8 | 2 | 4500 |
| MKR65 | Oui | 400 W | 65 | ±0,1 | 30 | 130 | 60 | 17 | 5000 | ||
| MKR80 | Oui | 750 W | 80 | ±0,1 | 35 | 200 | 100 | 24 | 5000 | ||
| MKR110 | Oui | 750 W/1000 | 110 | ±0,1 | 50 | 280 | 200 | 50 | 5000 | ||
| OBB65 | Oui | 400 W | 65 | ±0,1 | 30 | 110 | 25 | 6 | 5000 | ||








