Localisation actuelle:Accueil > Produit > Actionneur à vis à billes standard > Série RMD > RMD22 > Connexion directe 
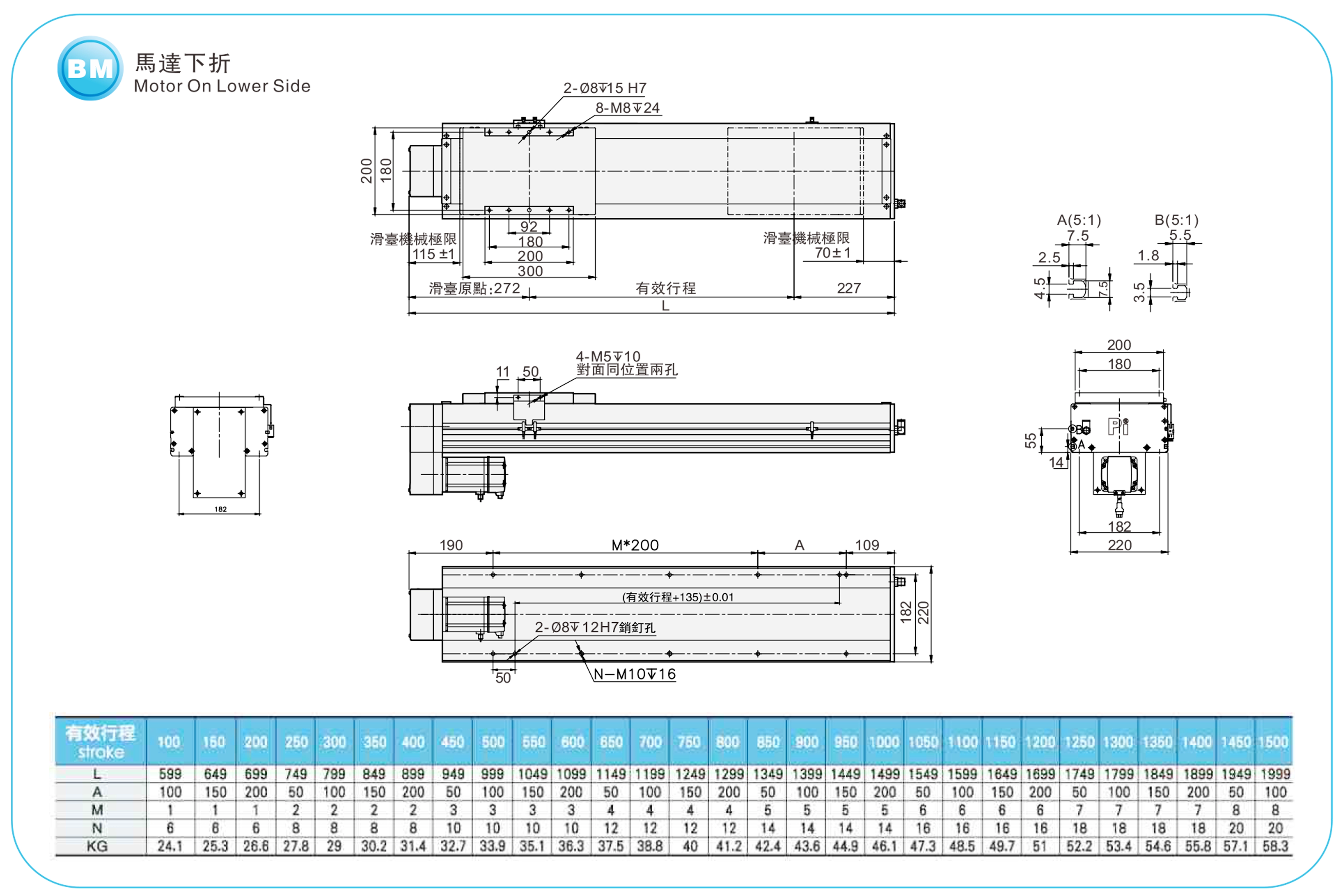
Répétabilité : ±0,01 mm
Charge horizontale : 150 kg
Charge verticale : 55 kg
Vitesse maximale : 2000 mm/s
Pas de course : 100-1500 mm
Réglez l'accélération et la décélération du moteur à 0,2 seconde.
Les spécifications standard ne s'appliquent pas à l'utilisation de ponts roulants inversés. Pour toute demande particulière, veuillez nous contacter par téléphone ou nous laisser un message en ligne.
Délai de livraison : 7 à 10 jours






| Spéc. | Répétabilité (mm) | ±0,01 | ||||
| Pas de vis à billes (mm) | 5 | 10 | 20 | 40 | ||
| Vitesse maximale (mm/s) | 250 | 500 | 1000 | 2000 | ||
| Charge utile maximale | Horizontal (kg) | 150 | 150 | 105 | 40 | |
| Vertical (kg) | 55 | 45 | 20 | 12 | ||
| Poussée nominale (N) | 2565 | 1281 | 640 | 320 | ||
| Pas de la course (mm) | Pas de 100 à 1500 mm / 50 mm | |||||
| Parties | Puissance du servomoteur CA (W) | 750 W | ||||
| Vis à billes Ø (mm) | C7Ø25 | |||||
| Guide linéaire haute rigidité (mm) | W23XH18 | |||||
| Accouplement (mm) | 17X19 | |||||
| Capteur domestique | Dehors | EE-SX672(NPN) | ||||
| Intégré | EE-SX674(NPN) | |||||


| Installation horizontale | UN | B | C | |
| Lead5 | 100 kg | 5000 | 633 | 557 |
| 125 kg | 3880 | 491 | 431 | |
| 150 kg | 3357 | 396 | 347 | |
| Lead10 | 100 kg | 3220 | 563 | 474 |
| 125 kg | 2554 | 434 | 367 | |
| 150 kg | 2113 | 349 | 295 | |
| Lead25 | 65 kg | 1522 | 614 | 458 |
| 85 kg | 1136 | 451 | 336 | |
| 105 kg | 893 | 350 | 262 | |
| Lead40 | 18 kg | 2445 | 1616 | 1052 |
| 30 kg | 1436 | 938 | 613 | |
| 40 kg | 978 | 630 | 412 | |

| Installation murale | UN | B | C | |
| Lead5 | 110 kg | 500 | 569 | 4500 |
| 130 kg | 412 | 469 | 3711 | |
| 150 kg | 347 | 396 | 3357 | |
| Lead10 | 110 kg | 427 | 503 | 2900 |
| 130 kg | 351 | 414 | 2444 | |
| 150 kg | 295 | 349 | 2113 | |
| Lead25 | 70 kg | 420 | 564 | 1404 |
| 90 kg | 315 | 420 | 1066 | |
| 105 kg | 262 | 350 | 893 | |
| Lead40 | 15 kg | 1272 | 1955 | 2948 |
| 24 kg | 778 | 1190 | 1813 | |
| 43 kg | 412 | 630 | 978 | |

| Installation verticale | UN | C | |
| Lead5 | 30 kg | 2355 | 2355 |
| 40 kg | 1768 | 1768 | |
| 55 kg | 1288 | 1288 | |
| Lead10 | 25 kg | 2505 | 2505 |
| 35 kg | 1795 | 1795 | |
| 45 kg | 1396 | 1396 | |
| Lead25 | 15 kg | 2711 | 2711 |
| 20 kg | 2033 | 2033 | |
| 20 kg | 2033 | 2033 | |
| Lead40 | 7 kg | 3511 | 3511 |
| 12 kg | 2055 | 2055 | |
| 12 kg | 2055 | 2055 | |

| MON | 2052 |
| Député | 2052 |
| M | 1810 |
| Utiliser là | Mode de conduite | Spécifications du modèle | Puissance du moteur (w) | Largeur (mm) | Répétabilité (mm) | Spécifications de la vis à billes | Charge utile maximale (kg) | vitesse maximale (mm/s) *1 | ||
|---|---|---|---|---|---|---|---|---|---|---|
| Diamètre extérieur (mm) | Plomb (mm) | Horizontal | Verticale | |||||||
| Environnement standard | vis à billes | RMD12 | 100 W | 102 | ±0,01 | 16 | 5 | 50 | 12 | 250 |
| 10 | 30 | 8 | 500 | |||||||
| 20 | 18 | 3 | 1000 | |||||||
| 32 | 5 | - | 1600 | |||||||
| 200 W | 102 | ±0,01 | 16 | 5 | 50 | 12 | 250 | |||
| 10 | 30 | 8 | 500 | |||||||
| 20 | 18 | 3 | 1000 | |||||||
| 32 | 5 | - | 1600 | |||||||
| RMD14 | 200 W | 135 | ±0,01 | 16 | 5 | 95 | 27 | 250 | ||
| 10 | 75 | 18 | 500 | |||||||
| 20 | 35 | 7 | 1000 | |||||||
| 32 | 15 | - | 1600 | |||||||
| 400 W | 135 | ±0,01 | 16 | 5 | 110 | 33 | 250 | |||
| 10 | 88 | 22 | 500 | |||||||
| 20 | 40 | 10 | 1000 | |||||||
| 32 | 30 | 8 | 1600 | |||||||
| RMD17 | 400 W | 170 | ±0,01 | 20 | 5 | 120 | 40 | 250 | ||
| 10 | 110 | 30 | 500 | |||||||
| 20 | 75 | 14 | 1000 | |||||||
| 40 | 22 | 7 | 2000 | |||||||
| 750 W | 170 | ±0,01 | 20 | 5 | 120 | 50 | 250 | |||
| 10 | 120 | 40 | 500 | |||||||
| 20 | 83 | 25 | 1000 | |||||||
| 40 | 43 | 12 | 2000 | |||||||
| RMD22 | 750 W | 220 | ±0,01 | 25 | 5 | 150 | 55 | 250 | ||
| 10 | 150 | 45 | 500 | |||||||
| 25 | 105 | 20 | 1250 | |||||||
| 20 | 40 | 43 | 12 | 2000 | ||||||
| RMD28 | 1500W | 280 | ±0,01 | 32 | 10 | 320 | 150 | 500 | ||
| 20 | 180 | 75 | 1000 | |||||||
| 32 | 75 | 35 | 1600 | |||||||
La vitesse maximale est calculée en fonction du régime maximal du servomoteur (3 000 tr/min). La vitesse maximale est calculée en fonction du régime maximal du moteur pas à pas (500 tr/min).





