PRODUIT
Localisation actuelle:Accueil > Produit > Cylindre électrique > Série EC > EC80 > Côté droit du moteur 
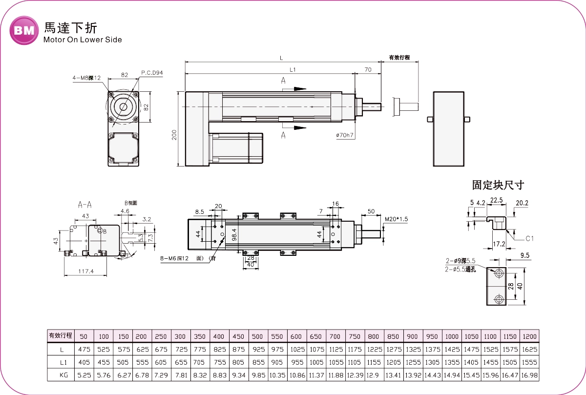
Répétabilité : ±0,01 mm
Charge horizontale : 200 kg
Charge verticale : 65 kg
Vitesse maximale : 1250 mm/s
Plage de déplacement : 50-1200 mm
Réglez l'accélération et la décélération du moteur à 0,2 seconde.
Les spécifications standard ne s'appliquent pas à l'utilisation de ponts roulants inversés. Pour toute demande particulière, veuillez nous contacter par téléphone ou nous laisser un message en ligne.
Délai de livraison : 7 à 10 jours




| Spéc. | Répétabilité (mm) | ±0,01 | |||
| Plomb (mm) | 5 | 10 | 25 | ||
| Vitesse maximale (mm/s) | 250 | 500 | 1250 | ||
| Charge utile maximale | Horizontal (kg) | 200 | 180 | 138 | |
| Vertical (kg) | 65 | 55 | 25 | ||
| Poussée nominale (N) | 2520 | 1260 | 504 | ||
| Pas de la course (mm) | Pas de 50 à 1200 mm / 50 | ||||
| Puissance de sortie du servomoteur CA (W) | 750 W | ||||
| Parties | Vis à billes Ø(mm) | C7Ø25 | |||
| Accouplement (mm) | 17X19 | ||||
| Capteur domestique | Dehors | CS-6T | |||


| Utiliser là | Mode de conduite | Spécifications du modèle | Puissance du moteur (W) | Largeur (mm) | Répétabilité (mm) | Spécifications de la vis à billes | Charge utile maximale (kg) | vitesse maximale (mm/s) *1 | ||
|---|---|---|---|---|---|---|---|---|---|---|
| Diamètre extérieur (mm) | Plomb (mm) | Horizontal | Verticale | |||||||
| Environnement standard | vis à billes | EC 50 | 100 W | 52 | ±0,01 | 12 | 5 | 30 | 12 | 250 |
| 10 | 15 | 5 | 500 | |||||||
| EC 50L | 100 W | 52 | ±0,01 | 12 | 5 | 50 | 15 | 250 | ||
| 10 | 30 | 8 | 500 | |||||||
| EC 50T | 100 W | 52 | ±0,01 | 12 | 5 | 50 | 15 | 250 | ||
| 10 | 30 | 8 | 500 | |||||||
| CE 65 | 400 W | 65 | ±0,01 | 16 | 5 | 110 | 33 | 250 | ||
| 10 | 88 | 22 | 500 | |||||||
| 16 | 48 | 10 | 800 | |||||||
| 20 | 40 | 8 | 100 | |||||||
| EC 65L | 400 W | 65 | ±0,01 | 16 | 5 | 110 | 33 | 250 | ||
| 10 | 88 | 22 | 500 | |||||||
| 16 | 48 | 10 | 800 | |||||||
| 20 | 40 | 8 | 100 | |||||||
| EC 65T | 400 W | 65 | ±0,01 | 16 | 5 | 110 | 33 | 250 | ||
| 10 | 88 | 22 | 500 | |||||||
| 16 | 48 | 10 | 800 | |||||||
| 20 | 40 | 8 | 100 | |||||||
| CE 80 | 700 W | 80 | ±0,01 | 25 | 5 | 200 | 65 | 250 | ||
| 10 | 180 | 55 | 500 | |||||||
| 25 | 138 | 25 | 1000 | |||||||
| EC 80T | 700 W | 80 | ±0,01 | 25 | 5 | 200 | 65 | 250 | ||
| 10 | 180 | 55 | 500 | |||||||
| 25 | 138 | 25 | 1000 | |||||||





